Arduino Board: Forskelle mellem versioner
htx_>Bar |
(Ingen forskel)
|
Versionen fra 1. jan. 2014, 02:21
Selve Arduino boardet er udviklet fra 2005 som et projekt ved en italiensk uddannelsesinstitution i Ivrea, hvor diagrammer og software har været open source gennem hele projektet.
Tidspunktet og den åbne tilgang til projektet har gjort at det har slået voldsomt an, og det har siden 2007 været understøtte af google, som lægger en fælles udviklings-platform til rådighed.
Der findes en del forskellige versioner af Arduino[1], men denne dokumentation drejer sig om Arduino UNO Rev. 3.
Diagram
Diagrammet viser opbygningen af Arduino UNO boardet:
![]()
Diagram over Arduino UNO rev. 3[2]
Centralt i diagrammet er der en ATMEGA16 som faktisk er den man kommunikerer med, når man arbejder med arduinoen via USB-porten - umiddelbart til venstre er der en ATMEGA328 som faktisk er den der afvikler den kode man skriver.
Rundt om ATMEGA328'eren er de stikforbindelser man skakl have fat i når man anvender Arduinoen.
Printet
Arduino UNO boardet er i den originale version opbygget som vist her:
![]()
Arduino UNO rev. 3 Boardet[3]
Forsyning og programmering
|
Billedet til venstre viser de to stik i den ene ende af printet. Det sorte stik for nede kan tilsluttes en adapter, som kan forsyne boardet med anbefalet spænding på 7-12V, med begrænsninger ud til fra 6V til 20V. Dette kan gøre at Arduinoen kan fungere som en selvstændig enhed når den er programmeret. Det blanke stik for oven er et USB-stik, hvor man kan forbinde Arduinoen til computeren, hvor den så vil både kunne forsyne boardet med 5V og kunne programmere ny kode ned i Arduinoen og kunne kommunikere med den serielle port på Arduinoen. Kablet der skal anvendes til at forbinde mellem USB-porten og Arduinoen er af typen USB A-B, hvor den flade USB skal i PC'en og den kvadratiske USB skal i Arduinoen (det er meget svært at gøre det omvendt). |
Stik-forbindelser
Der sidder to stik på den ene side, hvor man kan tilslutte ledninger som f.x. kan kobles over i et fumlebræt. Disse stik indeholder digitale input/output, der kan vælges programmerbart. Nogle af udgangene kan anvendes som PWM, der er en slags analog udgang etableret ved hjælp at et digitalt ben.
Man skal også være opmærksom på at de to serielle forbindelser der anvendes til programmering og seriel kommunikation er placeret i disse stik.

Arduino UNO rev. 3 Digitale ind- og ud-gange
| Markering | Funktion | Beskrivelse |
|---|---|---|
| GND | Stel-forbindelse | Den 0V som alle andre spændinger forholder sig til |
| AREF | Analog Reference | Mulighed for at ændre det analoge konverteringområde |
| 0-1 | Digital IO | To specielle IO, der normalt anvendes til den serielle port (kommer typisk fra USB-porten) |
| 2-13 | Digitale IO | Generelle IO-ben, hvor 3, 5, 6, 9, 10 og 11 kan anvendes som PWM output |
| SDA | Seriel Data | Seriel forbindelse sammen med SCL, der kan arbejde med 2-wire seriel. anvender samme ben som A4 og A5 |
| SCL | Seriel Clock | Seriel forbindelse sammen med SDA (disse to er ikke vist på billedet) |
På den anden side sidder der ligeledes to stik, hvor man kan forbinde eksterne kredsløb til. Det ene stik indeholder udtag af forsyningerne, så man kan bruge dem til at forsyne eksterne kredsløb med. Det andet indeholder 6 analoge indgange:

Arduino UNO rev. 3 Power-udtag og analoge indgange
| Markering | Funktion | Beskrivelse |
|---|---|---|
| GND | Stel-forbindelse | Den 0V som alle andre spændinger forholder sig til (2 stikforbindelse, der har forbindelse til GND i det digitale stik) |
| 5V | Forsyning | Den forsyning der er forbundet til PIC'en - kommer fra USB-porten, hvis der ikke tilsluttes en ekstern forsyning |
| IOREF | Forsyning | Forbundet direkte til +5V |
| Vin | Ekstern forsyning | 9-12V ureguleret forsyning, så arduinoen kan fungere uden USB-porten tilsluttet - kan trækkes ud på dette stik |
| 3,3V | Ekstra forsyning | 3,3V forsyning der kan anvendes til kredsløb der ikke tåler 5V. |
| Reset | Reset | Mulighed for eksternt at resette (nulstille) arduinoen ved at koble benete til stel |
| A0-A5 | Analoge indgange | 6 indgange, der kan måle analoge spændinger med en 10 bit ADC (0-1023). Som standard 0-5V måling |
5V forsyning
5V Forsyningen til Arduino-boardet kan enten komme fra USB-porten, hvor den samlede strøm man kan trække er 0,5A.
Sætter man en ekstern forsyning til, så er der en 5V regulator, som kan levere op til 1A, men som afhængigt af indgangsspændingen fra den eksterne forsyning, ikke vil kunne levere mere end 2-300 mA, da reulatoren på Arduino-boardet ellers vil blive overbelastet.
3,3V forsyning
På Arduino-boardet sidder der en lille 3,3V regulator, der burde kunne levere ca. 150 mA, men ifølge specifikationer kun kan levere 50 mA. Denne forsyning kan anvendes til at levet strøm til kredsløb der kun kan arbejde på 3,3V, men selvfølgelig med den begrænsning at der ikke trækkes mere end de 50 mA.
Til digitale signaler tilbage til Arduinoen vil der nomalt ikke være problemer i at levere signaler fra et 3,3V forsynet kredsløb. Her vil niveauerne blive accepteret som høje og lave uden problemer.
Det er anderledes med signaler fra Arduinoen, der arbejder på 5V og dermed leverer signaler på 0/5V. Her vil det være nødvendigt at tilpasse signalerne, enten med en signaltilpasning med en buffer som en CD4050, eller med en serie-modstand og en clamping-diode af f.x. typen BAT85.
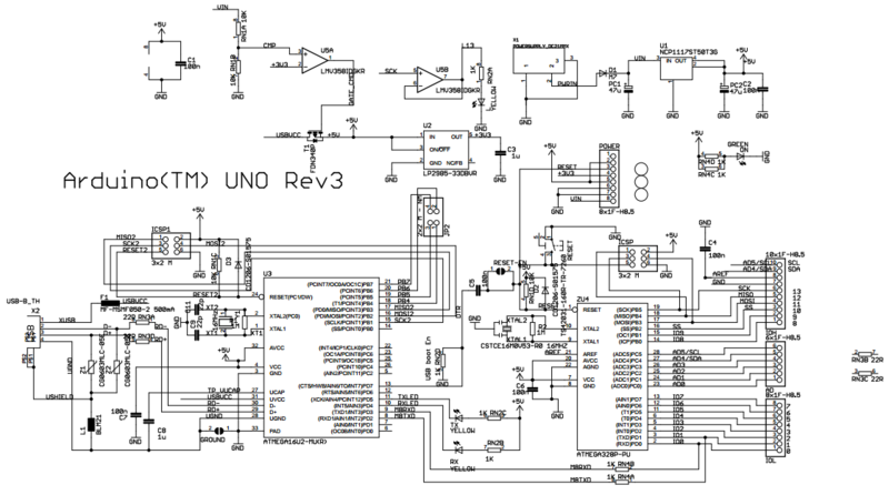
Stik Oversigt
Fra Arduino forumet stammer denne oversigt[4], der også kan være med til at give et godt overblik, både over Arduinoen, og over ATMega328 kredsen, der er mikrocontrolleren der udfører arbejdet i Arduinoen.
